Solving Golf Course Rooftop Challenges in Japan
Background:
Japan’s growing demand for solar energy presents vast opportunities, but installations face key challenges, including structural limitations, extreme weather such as frequent typhoons , and snow load. Many older rooftops lack the structural strength to support traditional solar panels (10–15 kg/m²), a critical barrier for retrofitting projects. This issue is particularly significant for buildings that do not meet Japan’s 1981 revised seismic standards or 2018 updated snow load regulations, as they may not be structurally suitable for standard PV installations. Additionally, Japan’s frequent typhoons and heavy snowfall require PV systems to withstand strong winds and significant weight without compromising safety.
Challenge:
As a recreational facility with significant energy demands, the golf course requires a stable and efficient power supply for daily operations. To enhance energy self-sufficiency and sustainability, a rooftop solar installation was proposed, ensuring on-site power generation while maintaining a safe and reliable environment. However, as a light steel structure, the facility faces load-bearing challenges, making traditional PV modules unsuitable due to their weight. A heavier rooftop increases structural risks, especially during earthquakes. Therefore, a lightweight solar solution is essential to ensure safety, long-term reliability, and the seamless integration of renewable energy.
Solution& Implementation:
To tackle these challenges, GoodWe BIPV Solutions utilized the Galaxy Series, a 5.6kg/㎡ lightweight solar panel engineered for Japan’s unique environmental conditions. This product has undergone rigorous testing to ensure safety, durability, and reliability in extreme weather.
High Wind Resistance: The Galaxy panels have been tested to withstand wind speeds of up to 49 m/s, ensuring stability even during Japan’s strongest typhoons.
Seismic & Typhoon Stability: The mounting clamps have passed vibration tests, verifying their resistance to both earthquakes and strong winds, preventing displacement.
Snow Load Capacity: The Galaxy products can handle up to 2400 Pa of front load, supporting approximately 80 cm of accumulated snow (assuming a snow density of 300kg/m³).
With these enhancements, the Galaxy Series offers a secure, efficient, and structurally adaptable PV solution, making solar energy installation feasible even for buildings with strict weight and environmental constraints.
118 pieces of Galaxy lightweight solar panels were provided for this project with an installed capacity of around 40 kW,which not only addresses low load bearing capacity issue but also ensures stable electricity generation. Below is the layout of Galaxy lightweight products. We also incorporated GOODWE SMT40K inverter, which features four MPPT (Maximum Power Point Tracking) channels, allowing for greater optimization of power generation. The multi-MPPT design ensures that each string operates at its maximum efficiency, minimizing energy loss caused by shading or module mismatch. This enhances overall system performance and reliability, especially in complex installation environments. By integrating Galaxy lightweight products with an advanced inverter system, we provide a comprehensive solution that not only addresses structural limitations but also maximizes energy output, ensuring long-term stability and efficiency for the project.

The image below shows the completed project. The Galaxy lightweight products perfectly fit on the roof, which not only address load-bearing capacity issue, but also achieve stable power generation.

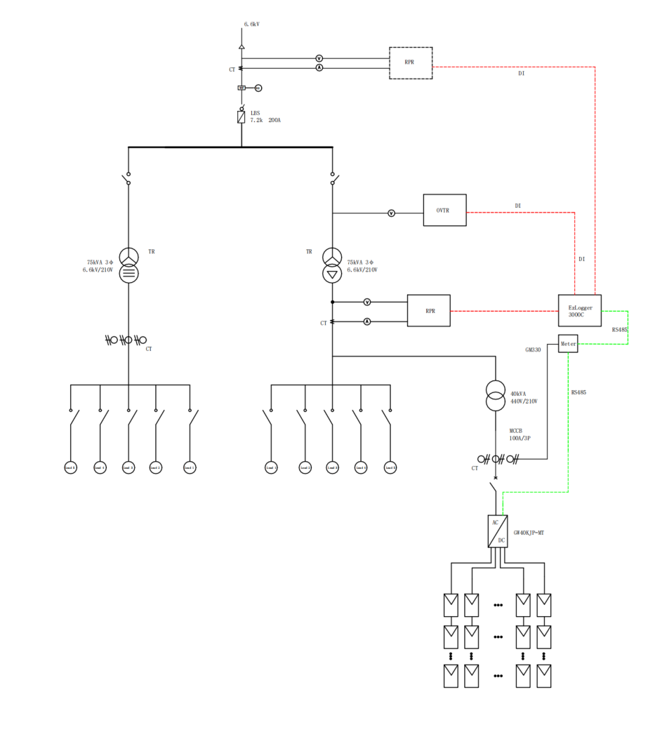
Below is the system diagram. This photovoltaic system is primarily designed for self-consumption, where solar power is supplied to a three-phase load through the PCS and transformer. A reverse power flow prevention strategy has been implemented. If reverse power flow occurs, the system first monitors the load using a combination of a meter and a logger. If this still cannot prevent reverse power flow, the Reverse Power Relay (RPR) will be activated.

Results & Benefits
The Japanese market has strict safety standards and demanding environmental conditions for PV systems, requiring solutions that are both high-performing and highly durable. The Galaxy series is designed to meet these challenges while offering additional benefits such as ease of installation and lower structural reinforcement costs.
With a weight of just 5.6 kg per square meter, Galaxy modules minimize the load on rooftops without compromising strength. The surface is made of 1.6 mm reinforced glass, providing high durability and long-term reliability. These modules have undergone rigorous testing to ensure they can withstand Japan’s typhoons, heavy snowfall, and high humidity, making them a robust and reliable choice for the market.
In addition, GoodWe’s Zero Carbon Academy team offers customized system designs, tailored to the unique structural conditions of each rooftop. This ensures safe, stable, and efficient project implementation. By providing personalized solutions that address customer-specific needs, Galaxy delivers optimal performance and long-lasting reliability for Japan’s PV market.
Location: 1865-97 Tokaichiba-cho, Midori Ward, Yokohama
System Size: 40kW
BIPV Models: Galaxy Series (335W)
Commissioning Period: August, 2024
About GoodWe BIPV Solutions
GoodWe, established in 2010, stands as a world-leading PV inverter manufacturer and smart energy solution provider. GoodWe BIPV Solutions is the PV Building Materials Business Unit of GoodWe, dedicated to advancing PV building materials to the public. Its BIPV products show great strengthes on swift and hassle-free installation, unhindered architectural styles, active electrical safety protection in all scenarios and comparable building lifetime, better than traditional PV materials